ПССУ 5,5.33.4,0-п

Чертеж изделия:
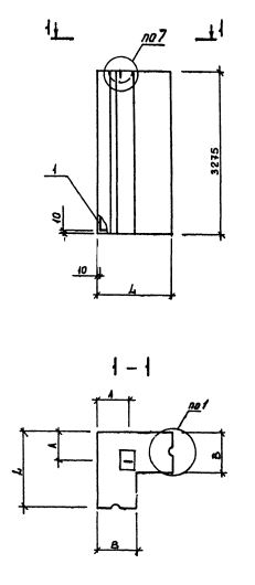
Чертеж ПССУ 5,5.33.4,0-п
Характеристики изделия:
ПараметрЗначение
Длина565 мм
Ширина400 мм
Высота3275 мм
Масса1160 кг
Нормативный документСерия 1.232.1-8

Стандарт изготовления изделия: Серия 1.232.1-8

Панель однослойная самонесущая ПССУ 5,5.33.4,0-п (1.232.1-8) представляет собой прочную прямоугольную конструкцию, выполненную из легкобетонной смеси и стального внутреннего каркаса. Наружная поверхность строительного элемента обладает эстетичным декоративным слоем. Вертикальные грани наружного слоя запроектированы из условия устройства стыков, заделываемых герметиками. На нижней горизонтальной грани предусмотрена декомпрессионная полость.  Можно создавать парапет при постройке крупнопанельных зданий промышленных предприятий с высотой этажа 3,3 метра.

Маркировка

1. ПССУ - панель стеновая самонесущая парапетная для наружного угла;

2. 5,5 - длина в дециметрах;

3. 33 - высота в дециметрах;

4. 4,0 - толщина в дециметрах;

5. п - используется бетонная смесь на пористых заполнителях.